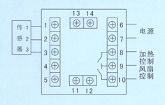
ZWS系列数字式智能温湿度控制仪是为电力设备柜体内部进行控温、除湿而设计的一种专用仪器。该仪器数字显示受控柜体内部的温度和湿度值。使用户对环境温湿度的情况一目了然,并且根据设备的控温,除湿要求,通过面板上的操作按键,可以设定两个温度控制点和一个湿度控制点。当温度低于下限值或者湿度高于上限值时,自动启动加热器。而当温度过高时会自动启动排风扇,从而使柜体内的温度、湿度控制在允许的范围内,可有效地防止柜体内温度过高、过低引起的元件失效或由于湿度过高而引起的爬电、闪络事故。有效地保护电力设备安全运行。该系列产品广泛应用与各种配电柜,端子箱,继电保护柜、计量柜和预装式变电站的环境监测与保护。
1.温度测量:0℃~+99℃ 精度±1℃
2.湿度测量:20%RH~99%RH 精度±5%RH
3.设定控制值:温湿度可以设定启动点
4.工作电源:AC220V±10% 50HZ
5.输出接点功率:阻性AC220V/6V
6.仪表尺寸:48(高)×48(宽)×100(深)mm
7.开孔尺寸:45×45mm(面板式安装)

|
 |
|
|
|
|